如何選購繞線電感,眾所周知,電器類產品都需要電源,而電感器則是開關電源設備的重要元器件,它是利用電磁感應的原理進行工作的。它的作用是阻交流通直流,阻高頻通低頻(濾波),也就是說高頻信號通過電感線圈時會遇到很大的阻力,很難通過,而對低頻信號通過它時所呈現的阻力則比較小,即低頻信號可以較容易的通過它。
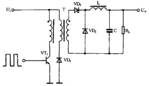
單端正激式開關電源的典型電路如圖所示。當開關管VT1導通時,VD2也導通,這時電網向負載傳送能量,濾波電感L儲存能量;當開關管VT1截止時,電感L通過續流二極管VD3 繼續向負載釋放能量。

頤特人在電源應用的電感設計時根據客戶要求定制了很多的解決方案,這些方案都是最適用于客戶單個方案的,因為專注,所以專業,所以頤特的電感才能在眾多客戶中獲得一致好評。
如果您也有需要,請聯系頤特人吧。
